Voltar

Aritmética com Lógica Digital 101

Nesse texto pretendo dar uma primeira introdução à implementação de circuitos lógicos, implementando os componentes de uma unidade lógica e aritmética, com um tutorial extra para implementação desses circuitos em FPGAs, dando uma atenção exclusiva aos modelos Cyclone IV e V da Altera e fazendo toda a implementação no ambiente Intel Quartus Prime.

Os únicos pré-requisitos do texto são conhecer as operações aritméticas básicas (isto eu não irei revisar) e ter noções básicas de álgebra booliana. Sobre o último, farei uma breve (re)visão no começo do texto e irei explicando detalhes mais sutis e particulares no decorrer do texto.

A abordagem comicamente específica e estranha desse texto se dá pelo fato de que esse texto foi escrito especialmente para servir de material auxiliar para os alunos de um curso de Prática em Lógica Digital no ICMC/USP, então todas as seções desse texto estão associadas a um trabalho/aula do curso. Por esse mesmo motivo escolhi considerar algumas noções de lógica digital como pré-requisito, já que o curso de Introdução à Lógica Digital é dado simultaneamente a esse. Se você não está fazendo esse curso e caiu aqui de paraquedas, provavelmente não vai gostar muito desse texto. Neste caso, recomendo o blog do Coert Vonk sobre o assunto, alguns vídeos do Ben Eater no YouTube e a referência Stephen Brown, Fundamentals of Digital Logic, que vai bem além no assunto.

Aviso importante: Muitos dos projetos do curso de Prática em Lógica Digital (além de uma boa porção da teoria) também são explicados em vídeos gravados durante a pandemia de 2020 pelo professor Denis Wolf. Você pode assistir essas aulas nesta playlist do YouTube.

Aviso importante\(\mathbf{^2}\): Algumas seções do texto têm partes marcadas com (!). Isso indica que essas partes explicam um pouco mais profundamente sobre aquele assunto/problema. Para os desesperados: podem pular esses parágrafos e seguir o texto como um tutorial “passo-a-passo” de como montar os circuitos (ainda assim, recomendo muito que não ignore até a seção 5).

Finalmente, números em base binária serão escritos com o prefixo \(0b\), números em base hexadecimal serão escritos com o prefixo \(0x\) e números em base decimal serão escritos sem prefixo.

Enfim, enjoy it!

Conteúdo

  1. Pré-requisitos
  2. Configuração do Quartus Prime
  3. Simplificação de Expressão Lógica
  4. Modelagem de Problema Prático
  5. Modelagem de Problema Prático 2: Electric Boogaloo
  6. Display Hexadecimal de 7 segmentos
  7. Somador Completo
  8. Somador de 4 bits

Apêndice A. Dicas sobre o Quartus

0. Pré-requisitos (!)

Os pré-requisitos para este texto são conhecer e entender as operações aritméticas básicas (e a raíz quadrada) e álgebra booliana instrumental. Esta seção tem como objetivo somente introduzir os conceitos básicos de álgebra booliana.

Basicamente, a álgebra booliana que vamos precisar aqui é um conjunto de regras que vale pra algumas operações no conjunto \(\{0,1\}\). Daqui em diante, um elemento desse conjunto será chamado de bit, do inglês, binary digit. Essas regras são definidas de modo a “capturar” as principais propriedades de operações entre conjuntos (reunião, interseção e complemento). No contexto de lógica digital, é mais comum usar os conectivos lógicos para se referir a estas operações, usando OU/OR para a reunião, E/AND para a interseção e NÃO/NOT para o complemento.

OR AND NOT

As duas coisas são equivalentes porque a reunião de dois conjuntos \(A\) e \(B\) é o conjunto dos elementos que pertencem a \(A\) ou a \(B\), não exclusivamente (ou seja, o elemento pode pertencer aos dois), a interseção entre \(A\) e \(B\) é o conjunto dos elementos que pertencem a \(A\) e a \(B\) e o complemento de um conjunto \(A\) é o conjunto dos elementos de um conjunto universo que não pertencem a \(A\).

Durante todo o texto vamos usar o símbolo \(+\) para representar a operação OR e o símbolo \(\cdot\) pra representar a operação AND. O complementar de um valor \(a\), ou seja, a operação NOT aplicada num valor \(a\) será denotada por \(\overline{a}\).

A seguir estão as principais regras das operações citadas (você pode encontrá-las em qualquer livro de lógica digital).

Para todo bit \(x\), vale:

  1. Se \(x=0\), então \(\overline{x}=1\)
  2. Se \(x=1\), então \(\overline{x}=0\)
  3. \(x \cdot 0 = 0\)
  4. \(x + 1 = 1\)
  5. \(x \cdot 1 = x\)
  6. \(x + 0 = x\)
  7. \(x \cdot x = x\)
  8. \(x + x = x\)
  9. \(x \cdot \overline{x} = 0\)
  10. \(x + \overline{x} = 1\)
  11. \(\overline{\overline{x}} = x\)

Na prática, a operação NOT inverte o valor de um bit, a operação OR retorna um bit \(1\) somente quando qualquer um dos operandos é \(1\) e a operação AND retorna um bit \(1\) somente quando ambos os operandos são \(1\).

Note que para toda regra desse tipo, você pode trocar \(0\) por \(1\), \(\cdot\) por \(+\) e a regra continua valendo, e vice-versa. Este é o princípio de dualidade.

Além dessas regras, temos que as operações OR e AND são comutativas (a ordem dos fatores não importa) e também são associativas (não importa onde você coloca os parênteses). Elas também são distributivas, mas diferente da soma e produto de números reais, a soma também distribui sobre o produto, ou seja, pra todos os bits \(x\), \(y\) e \(z\), vale tanto \(x \cdot (y+z) = x \cdot y + x \cdot z\) quanto \(x+(y \cdot z) = (x+y) \cdot (x+z)\).

Para terminar, vão aí algumas propriedades menos óbvias que podem ser úteis.

Para todos os bits \(x\), \(y\) e \(z\), vale:

  1. \(x+x \cdot y = x\) (Absorção)
  2. \(x \cdot y + x \cdot \overline{y} = x\) (Combinação)
  3. \(\overline{x \cdot y} = \overline{x} + \overline{y}\) (DeMorgan)
  4. \(x \cdot y + y \cdot z + \overline{x} \cdot z = x \cdot y + \overline{x} \cdot z\) (Consenso)

Novamente, para cada uma dessas propriedades existe uma outra equivalente obtida através do princípio de dualidade.

Este modelo matemático é útil pra projetar circuitos digitais porque trabalharemos com sinais binários (aos quais se atribui os símbolos 0 e 1, por convenção), e o que se tem para trabalhar são as portas lógicas, que são componentes lógicos que têm o comportamento das operações que apresentamos. Daqui em diante, trataremos operações binárias e portas lógicas como uma única coisa.

Dessas portas lógicas básicas, pode-se criar outras portas lógicas úteis em várias situações, como por exemplo, a XOR (OU-exclusivo), que é definida por \(x \oplus y = \overline{x} \cdot y + x \cdot \overline{y}\).

As portas lógicas que usaremos muitas vezes serão ilustradas usando suas representações em blocos. Para conhecer as figuras de algumas portas lógicas comuns, acesse a página da Wikipédia sobre portas lógicas.

Daqui em diante, denotaremos \(x \cdot y\) por \(xy\).

A principal aplicação destas definições que apresentamos é modelar a solução de um problema usando funções boolianas, que são fundamentalmente combinações destas operações que definimos sobre um número qualquer de variáveis com uma saída que satisfaça a solução de um determinado prolema. Através das propriedades das portas lógicas, podemos simplificar as expressões dessas funções, de modo a usar menos portas lógicas pra obter a mesma saída para as funções. Mais adiante usaremos métodos mais eficientes para simplificar expressões de funções boolianas, de modo que poderemos garantir que a expressão está na sua forma mais simplificada.

Dado um problema, o que deve ser feito primeiro é a separação de bits de entrada e bits de saída. Cada saída será definida por uma função booliana, que pode ter como variáveis alguns dos bits de entrada. Em seguida, uma maneira de organizar e determinar qual deve ser o comportamento de cada uma das funções de saída, pode-se usar uma ferramenta chamada tabela-verdade, que consiste em uma tabela com uma coluna para cada entrada e saída e \(2^n\) linhas, onde \(n\) é o número de entradas. O objetivo é preencher cada linha com uma combinação possível de entradas e descrever qual deve ser o valor de cada uma das saídas dada esta combinação de entrada. O número de linhas se dá pelo fato de que o número de combinações possíveis de \(n\) bits é \(2^n\) (princípio fundamental de contagem).

Exemplo de tabela verdade

Uma vez construída a tabela verdade do problema, podemos definir a função booliana de uma saída como uma soma da combinação de entradas que produz o valor \(1\) nesta saída. No exemplo da figura acima, temos que \(Z(A,B,C) = A \overline{B} C + AB\overline{C} + ABC\). Através das propriedades das operações de soma e produto, temos que \(Z = AC(B+\overline{B})+AB\overline{C}\) (distributividade), então temos que \(Z = AC+AB\overline{C} = A(B\overline{C}+C) = A(B+C) = AB+AC\), como mostra o circuito lógico em blocos na figura.

1. Configuração do Quartus Prime

Todos os circuitos que fizermos durante o texto serão projetados no Quartus Prime com o intuito de implementá-los nas FPGAs Cyclone IV e V disponíveis nos laboratórios do ICMC. O Quartus Prime é um software da Intel que possui ferramentas de design de circuitos lógicos em blocos e de sintetização desses circuitos, com extensões para as FPGAs Cyclone. Você pode baixar a versão gratuita do Quartus Prime no website da Intel.

Após a instalação do Quartus Prime, devemos criar um novo projeto para trabalharmos. A cada trabalho/aula, deve-se criar um novo projeto. Não costuma ser boa ideia utilizar um único projeto do Quartus para todos os trabalhos do curso. Para criar um novo projeto, abra o Quartus e clique em New Project Wizard.

New Project Wizard

Depois disso, clique em Next e insira o nome do projeto e a pasta onde o projeto será armazenado. Importante: O Quartus Prime por padrão escolhe uma pasta protegida do sistema para armazenar o projeto. Altere essa pasta e escolha uma pasta dos seus documentos ou área de trabalho, por exemplo.

Project Name

Mantenha todas as configurações como estão até chegar na tela chamada Family, Device & Board Settings. Nesta tela, você deve selecionar o modelo de FPGA que você está utilizando na seção Available Devices, podendo pesquisar pelo modelo na caixa de busca Name filter. No momento em que este texto foi escrito, as duas FPGAs disponíveis nos laboratórios do ICMC são a Altera Cyclone IV (placa grande) e a Altera Cyclone V (placa pequena). Para facilitar, seguem os códigos de cada um desses modelos:

Então, clique em Next e Finish.

Após criar o projeto, para criar um arquivo de circuito em blocos, clique em File\(\rightarrow\)New \(\rightarrow\)Block Diagram/Schematic File. Após realizar alterações nesse arquivo, lembre-se de salvar com CTRL+S.

Diagrama de Blocos

Agora, clicando no símbolo de porta lógica na barra de ferramentas do Quartus, você pode usar a Symbol Tool para adicionar um componente lógico no seu circuito. Basta escrever o nome da porta lógica na caixa de busca. Um número após o nome da porta lógica indica a quantidade de entradas (exemplos: and2, and3, or2, not, etc).

Symbol Tool

Clicando no botão Pin Tool ao lado da Symbol Tool, você pode adicionar uma nova entrada ou saída no seu circuito. Uma única entrada desse tipo pode ser usada para representar múltiplos sinais. Mais detalhes sobre como fazer isso no apêndice A.4.

Pin Tool

Para testar o seu circuito na FPGA, você deve primeiro sintetizá-lo e compilá-lo num formato que o Quartus pode escrever na FPGA. Para isso, clique no botão Start Compilation com ícone de play.

Start Compilation

Caso haja mais de um circuito no seu projeto, você pode usar a barra de navegação do projeto ao lado esquerdo da tela no modo Files para selecionar o circuito que deseja compilar, clicar com o botão direito e selecionar a opção Set as top-level entity.

Top Level Entity

Após o final da compilação, você deve escrever o programa na FPGA, usando a ferramenta Programmer. Para isso, selecione a ferramenta Programmer na barra superior do Quartus e selecione o driver USB Blaster para programação. Depois disso é só clicar no botão Start e esperar que o Quartus programe a FPGA com o circuito que você compilou.

Programmer USB Blaster Start Programmer

2. Simplificação de Expressão Lógica

Um primeiro exemplo de simplificação de função booliana é o da seguinte expressão:

\[\begin{equation} Q(A,B,C) = \left(A \cdot B\right) + \left((B+C)\cdot(B\cdot C)\right) \end{equation}\]

Na forma que está, essa função quando implementada precisaria de \(5\) portas lógicas, mas é possível fazer algumas manipulações algébricas para simplificá-la.

A partir de agora, usaremos a notação \(AB = A \cdot B\).

(!) Imediatamente, pela distributividade do produto sobre a soma, ficamos com \(AB + BBC + BCC\), que automaticamente simplifica pela propriedade “\(xx = x\)” para \(AB+BC+BC\), e analogamente, pela proriedade “\(x + x = x\)”, simplifica finalmente para \[\begin{equation} Q(A,B,C) = AB+BC = B(A+C) \end{equation}\] utilizando agora somente \(2\) portas lógicas.

Circuito 1

Na figura acima está o a função \(Q\) implementada com as portas lógicas na forma de diagrama de blocos. O circuito que leva à saída OUTPUT1 está na forma não-simplificada (leva \(5\) portas lógicas), enquanto o circuito que leva à saída OUTPUT2 está na forma simplificada (leva \(2\) portas lógicas).

3. Modelagem de Problema Prático

Já que na hora de resolvermos problemas reais usando circuitos lógicos não teremos inicialmente uma função booliana, mas sim um problema a analisar para transformarmos numa expressão lógica, vamos tentar implementar um circuito que resolve o problema de criar um sistema de controle de um reservatório de água.

O reservatório é modelado da seguinte maneira: ele possui \(3\) sensores, \(3\) válvulas e \(1\) alarme. Denotaremos os sensores por \(S_0\), \(S_1\) e \(S_2\), as válvulas por \(V_1\), \(V_2\) e \(V_3\) e o alarme por \(A\). Disso já podemos inferir que o sistema possui \(3\) entradas (sinais dos sensores) e \(4\) saídas (controle das válvulas e alarme). Além disso, o comportamento das entradas e saídas devem satisfazer as seguintes condições:

Reservatório de Água

Logo podemos ver que a válvula \(V_1\) é a mais simples, já que ela deve ser acionada incondicionalmente quando o sensor \(S_1\) estiver com sinal ativo. Então já podemos dizer que \(V_1=S_1\), o que é a mesma coisa de só conectar um fio direto do sensor \(S_1\) na válvula \(V_1\).

Válvula 1

Já para a válvula \(V_2\) ser ativada, é necessário que ambos os sensores \(S_1\) e \(S_2\) estejam ativos, ou seja, \(V_2 = S_1 S_2\).

Válvula 2

Para a válvula \(V_3\), é necessário que todos os sinais dos sensores estejam desativados, então ficamos com \(V_3 = \overline{S_0}\,\overline{S_1}\,\overline{S_2}\). Pelo Teorema de DeMorgan, também temos \(V_3=\overline{S_0+S_1+S_2}\).

Válvula 3

Já para o alarme, existem duas situações nas quais o alarme deve ser ativado: quando \(S_1\) estiver ativo e \(S_0\) não estiver, isto é, \(\overline{S_0}S_1\), ou então quando \(S_2\) estiver ativo e qualquer um dos \(S_0\) e \(S_1\) não estiverem, ou seja, \(S_2\left(\overline{S_0}+\overline{S_1}\right)=\overline{S_0 S_1}S_2\). Finalmente, já que queremos que em qualquer um dos casos o alarme ative, queremos \(A=\overline{S_0} S_1 + \overline{S_0 S_1}S_2\).

Alarme

E numa situação de emergência, queremos que o reservatório seja esvaziado, portanto devemos adicionar uma condição extra para a \(V_3\), fazendo-a desativar quando o alarme estiver ligado, e as outras válvulas devem ativar quando o alarme estiver ligado. Então sendo \(V_1^\prime\), \(V_2^\prime\) e \(V_3^\prime\) as novas funções para as válvulas, temos \[\begin{align} &V_1^\prime = V_1 + A\\ &V_2^\prime = V_2 + A\\ &V_3^\prime = V_3 \overline{A} \end{align}\]

Daí ficamos finalmente com o seguinte circuito

Circuito final do reservatório

4. Modelagem de Problema Prático 2: Electric Boogaloo

Um segundo problema a ser modelado usando circuitos lógicos é o comportamento de um robô móvel. O sistema de controle desse robô possui \(3\) sensores, direita, esquerda e frente (\(D\), \(E\) e \(F\), respectivamente) que ativam quando detectam um obstáculo, e um sistema de movimento com \(3\) comandos, direita, esquerda e frente (\(CD\), \(CE\), e \(CF\), respectivamente).

O comportamento do robô deve seguir as seguintes regras:

Bem, como a primeira regra explicita que o robô deve ir para a frente sempre que o sensor \(F\) não detectar obstáculos, imediatamente já temos que \(CF = \overline{F}\). Para que o robô vá para a esquerda, primeiramente é necessário que haja obstáculo à frente, para não ferir a primeira regra. Além disso, deve haver um obstáculo à direita e não à esquerda. Ficamos com \(CE = \overline{E}DF\). Finalmente, para que o robô vá para a direita, novamente, é necessário que o haja algum obstáculo à frente, para não ferir a primeira regra.

Para o último controle \(CD\), a dedução mais intuitiva da função não é imediata, então vamos recorrer a outro método para deduzí-la. De acordo com as regras dadas, segue a tabela verdade que o projeto deve seguir:

D E F CD CE CF
0 0 0 0 0 1
0 0 1 1 0 0
0 1 0 0 0 1
0 1 1 1 0 0
1 0 0 0 0 1
1 0 1 0 1 0
1 1 0 0 0 1
1 1 1 1 0 0

(!) Dessa tabela podemos escrever manualmente uma expressão que satisfaz a coluna \(CD\), que é \(CD = \overline{D}\,\overline{E}\,F + \overline{D}\,E\,F + DEF\) (soma de produtos). Agora podemos simplificá-la. Distribuindo, temos \(CD = \overline{D}\,F\left(\overline{E}+E\right)+DEF\). Daí, temos \(CD =\overline{D}\,F+DEF\). Colocando \(F\) em evidência, ficamos com \(CD = F\left(\overline{D}+DE\right)\), e agora, pela regra de absorção, ficamos com \(CD = F\left(E+\overline{D}\right)\).

Assim, circuito final fica da seguinte forma:

Robô

5. Display Hexadecimal de 7 segmentos

Passados os primeiros exemplos de circuitos lógicos, vamos para o primeiro componente que vamos precisar para exibir os valores numéricos nos componentes da ULA. A ideia do display hexadecimal de 7 segmentos é converter um número binário da forma \(0bABCD\) em um dígito hexadecimal \(0xH\), onde \(H\) é um dígito que pode assumir 16 valores, indo de 0 até 9 e então de A até F.

Para representar o dígito hexadecimal, usaremos o display de 7 segmentos disponível nas FPGAs Cyclone IV e V. A cada segmento do display associaremos uma função booliana que leva os dígitos binários de entrada ao sinal daquele segmento, de modo a desenhar todos os dígitos hexadecimais possíveis. Para isso, primeiramente devemos construir uma tabela-verdade com todos os valores possíveis para \(0bABCD\) e suas respectivas saídas, para que possamos construir os circuitos lógicos que representam cada uma das 7 funções de saída.

Uma vez que a simplificação algébrica de 7 funções binárias de 4 variáveis é um processo bastante longo e enfadonho, usaremos um método de simplificação mais rápido para obter as expressões algébricas simplificadas. Este é o método de Mapas-K, ou Mapas de Karnaugh. A descrição do método pode ser encontrada nesta página escrita por alunos da disciplina de Sistemas Digitais do ano de 2024.

Daqui em diante, todos os passos de simplificação algébrica são omitidos e o leitor pode fazê-lo usando o método de Mapas-K.

Muito importante: os LEDs dos segmentos dos displays da FPGA são ativos em nível baixo, isto é, cada LED aceso deve ter o sinal \(0\) e cada LED apagado deve ter o sinal \(1\). Daí, as expressões algébricas para cada um dos 7 segmentos \(S_0\), \(S_1\), …, \(S_6\), na ordem dos segmentos da FPGA, são:

Para evitar erros no desenho dos blocos, é recomendável desenhar duas linhas longas para cada entrada, uma invertida e a outra não, e então puxar os fios de cada termo da expressão algébrica para uma porta OR de várias entradas.

6. Somador Completo

Falando finalmente em aritmética, o primeiro dos componentes de aritmética que vamos implementar é o circuito somador completo (full-adder). O somador completo é construído utilizando dois somadores parciais (half-adder), portanto, começaremos por este. O somador ‘parcial’ é um circuito que implementa duas funções booleanas: a função \(S\), que chamaremos de função soma, e a função \(C\), que chamaremos de função carry. A função soma leva um par de bits na soma deles. Para todas os pares de bits exceto o par \((1,1)\), a soma é trivial: \(S(0,0)=0\); \(S(0,1)=1\); \(S(1,0)=1\). Para \(S(1,1)\), como não é possível representar o número \(2\) utilizando somente um bit, definimos \(S(1,1)=0\) e ao mesmo tempo \(C(1,1)=1\). Para todos os outros pares \((A,B)\), temos \(C(A,B)=0.\)

Ficamos com a seguinte tabela-verdade:

\(A\) \(B\) \(C\) \(S\)
\(0\) \(0\) \(0\) \(0\)
\(0\) \(1\) \(0\) \(1\)
\(1\) \(0\) \(0\) \(1\)
\(1\) \(1\) \(1\) \(0\)

De fato, \[\begin{align} &0+0=0=0b00 \\ &0+1=1+0=1=0b01 \\ &1+1=2=0b10 \end{align}\]

As expressões para as funções \(S\) e \(C\) podem ser deduzidas imediatamente pela tabela-verdade, pelo método de mintermos ou usando mapas-K. Ficamos com o seguinte: \[\begin{align} &S(A,B)=A \oplus B \\ &C(A,B)=AB \end{align}\]

Somador Parcial

(!) A ideia da função carry está relacionada com o sistema posicional de representação de números inteiros que estamos usando. A expressão \(N=0ba_1 a_0\) que utilizamos para representar um número na base \(2\), de fato significa \(N=a_1\cdot2 + a_0\), onde \(a_1\) e \(a_0\) são valores em \(\{0,1\}\). O papel do carry é garantir que a soma esteja bem definida em casos como \(S(1,1)\). Já que o número 2 não pode ser representado por nenhum dos coeficientes \(a_1\) e \(a_0\), podemos usar o fato de que \(2 = 1\cdot2 + 0 = 0b10\) para “passar” o bit excedente adiante, com \(a_1=1\) e \(a_0=0\). A partir de agora, podemos entender o somador parcial como uma função \(HA(A,B)\), que leva um par de bits em um vetor de dois bits cujas componentes indicam a representação posicional do resultado da soma parcial.

(!) Note que o maior valor de \(N=a_1\cdot2 + a_0\) é \(3=0b11\), que ocorre quando \(a_1=a_0=1\) não é resultado de nenhuma soma parcial da forma que definimos. Para considerar este caso, devemos adicionar uma nova variável ao nosso circuito, que deve ser somada ao resultado final. Essa nova função “extendida” é o somador completo. A introduziremos a seguir e exploraremos um uso mais geral dessa nova função na próxima seção.

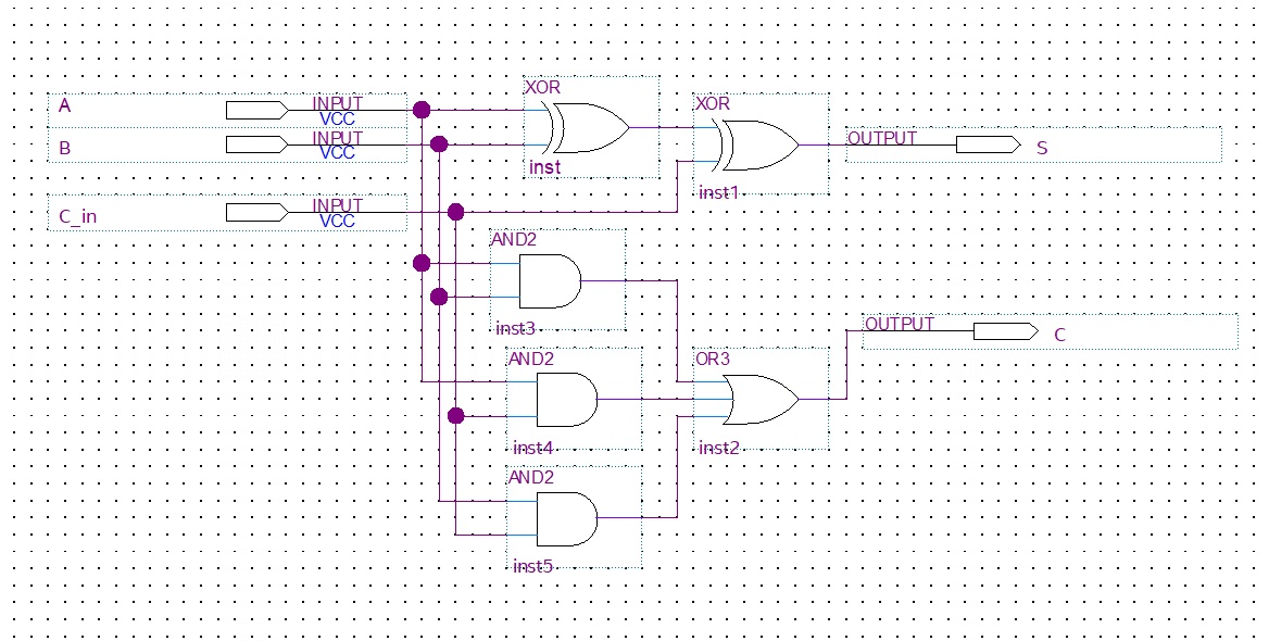
O somador completo é uma função de três variáveis \(FA(A,B,C_{in})\) que leva suas três variáveis no vetor \((C,S)\) (Carry-out e soma). A terceira variável \(C_{in}\) é chamada de Carry in (\(C_{in}\)), por motivos que exploraremos melhor na próxima seção. A tabela verdade do somador completo é a seguinte:

\(A\) \(B\) \(C_{in}\) \(C\) \(S\)
0 0 0 0 0
0 0 1 0 1
0 1 0 0 1
0 1 1 1 0
1 0 0 0 1
1 0 1 1 0
1 1 0 1 0
1 1 1 1 1

Utilizando o métodos de Mapas-K, obtemos as seguintes expressões:

Somador Completo

Também é possivel escrever \(FA\) em função de \(HA\):

Somador Completo com Somadores Parciais

7. Somador de 4 bits

Na última seção construímos um circuito somador que nos permite somar 3 bits, então não é inesperado que em seguida tentassemos generalizar esta ideia para somarmos mais bits. De fato, o que queremos não é exatamente um circuito que nos permite somar \(n\) bits, mas sim um circuito que nos permite somar 2 números binários, onde ambos possuem \(n\) bits. Em particular, vamos olhar para o caso onde \(n=4\), mas a ideia é a mesma para o caso mais geral.

(!) Considere dois números inteiros positivos \(A\) e \(B\), e seja \(n\) um número maior que ou igual ao número de bits suficiente para representar tanto \(A\) quanto \(B\) (isto é, \(n \geq max\{\lceil log_2\,A\rceil, \lceil log_2\,B\rceil\})\). Temos que \(A+B = (A_{n-1} \cdot 2^{n-1} + A_{n-2} \cdot 2^{n-2} + \cdots + A_1 \cdot 2 + A_0)+\) \((B_{n-1} \cdot 2^{n-1} + B_{n-2} \cdot 2^{n-2} + \cdots + B_1 \cdot 2 + B_0)\) pode ser reescrito, usando as regras de associatividade e distributividade, na forma \(A+B = (A_{n-1}+B_{n-1}) \cdot 2^{n-1} + (A_{n-2}+B_{n-2}) \cdot 2^{n-2} + \cdots +\) \((A_1 + B_1) \cdot 2 + (A_0 + B_0)\).Ou seja, de fato, podemos somar o \(i\)-ésimo bit do primeiro operando com o \(i\)-ésimo bit do segundo operando para formar o \(i\)-ésimo bit da soma deles, com o detalhe de que devemos considerar a seguinte noção que vimos durante a motivação do somador completo, caso \((A_i+B_i)=2\), consideramos \((A+B)_i=0\) e \((A+B)_{i-1} = (A_{i-1} + B_{i-1}+1)\). Essa definição recursiva é uma generalização da noção de carry que vimos anteriormente. De fato, essa noção também é o mesmo princípio usado na soma longa de números em base 10 que é ensinada no ensino fundamental.

Disso, podemos concluir que dados dois números de \(n\) bits, podemos somá-los somando cada respectivo bit de cada um, e propagando o bit de carry da forma recursiva definida anteriormente. Isso é equivalente, na prática, a conectar \(n\) somadores completos em série, onde o \(i\)-ésimo somador completo recebe como entradas os \(i\)-ésimos bits dos operandos, e o bit de carry do somador anterior. O primeiro somador completo recebe o bit \(0\) como entrada de \(C_{in}\). A soma de cada somador completo representará o respectivo bit da soma dos números de entrada. Caso o último somador completo emita um bit de carry, isso indica que \(n\) bits não são suficientes para representar a soma dos números \((\lceil log_2(A+B) \rceil > n)\). Este caso será chamado de overflow.

Somador de 4 bits

(demais seções em construção)…

A. Dicas Sobre o Quartus

O Quartus Prime pode ser um pouco duro às vezes, por isso, aqui está uma lista de dicas para facilitar o processo de desenvolver os circuitos e evitar bugs no Quartus.

1. Abrindo o projeto de forma segura

Evite abrir o Quartus Prime e então abrir o projeto atrás de File\(\rightarrow\) Open Project. É mais seguro acessar a pasta do seu projeto e clicar no ícone azul do arquivo .qpf (Quartus Project File) do seu projeto para abrir o Quartus com o seu projeto. Isso evita alguns bugs e crashes esporádicos no Quartus por motivos misteriosos.

2. Fios sem-fio

Em projetos que têm muitas conexões entre os blocos, o diagrama de blocos pode ficar bastante confuso e visualmente poluído. Uma maneira de mitigar isso é conectar blocos sem usar ‘fios’ diretamente. Para isso, crie um pequeno fio em cada um dos blocos que você deseja conectar, e então clique em cada um deles e dê um nome a eles (evite caracteres especiais). O nome dos dois fios deve ser o mesmo.

Fio sem fio

Ao fazer isso, a ferramenta de síntese do Quartus os conecta logicamente, mesmo que não haja um fio os conectando diretamente.

3. Criando blocos

Conforme os projetos ficam mais complexos, alguns circuitos são utilizados de forma repetida, por exemplo, num somador de \(n\) bits \(n\) somadores completos são utilizados. Para facilitar essa tarefa e tornar o projeto mais escalável, é possível transformar um diagrama de blocos num bloco em si, tornando-o acessível através de Symbol Tool. Para isso, com o diagrama de blocos aberto e salvo, clique em File\(\rightarrow\)Create/Update\(\rightarrow\) Create Symbol Files for Current File e salve o arquivo. Agora você pode usar a Symbol Tool para acessar o seu símbolo. Importante: Caso as entradas e/ou saídas do seu bloco sejam alteradas, é necessário repetir o processo para atualizar o símbolo do bloco.

4. Vetores de entrada/saída

É comum que um circuito possua múltiplas entradas que dizem respeito a uma só coisa, como por exemplo, num somador de 4 bits, as 4 entradas \(a_0\), \(a_1\), \(a_2\) e \(a_3\) dizem respeito ao primeiro operador da soma. O mesmo pode ocorrer para saídas. De fato, é possível ‘agrupar’ essas entradas/saídas em um único símbolo de entrada/saída utilizando vetores.

Entrada em vetor

Para criar um vetor de entrada/saída no Quartus, basta nomear uma entrada/saída para NOME[n-1..0], onde \(n\) é o número de entradas que você precisa. Dessa maneira, você pode usar um fio de barramento para conectar essa entrada a outros símbolos que recebam entradas de \(n\) elementos, ou então utilizar os fios sem-fio para utilizar somente uma das entrada (exemplo: nomear um fio de NOME[0] utiliza a primeira entrada do vetor NOME).

Editado em: 11/03/2025